西安西馳電氣股份有限公司(證券代碼831081),成立于2002年,是一家專業從事電力電子產品研發、制造、銷售的高新技術企業。
了解更多

一、游樂設備介紹
神州飛碟是一種常見的游樂設備,它是將靜止載人的旋轉機械轉盤通過2臺電機驅動工作的,一臺負責驅動2.2噸轉盤自轉,而另一臺負責轉盤在軌道左右滑行。左右滑行的驅動電機利用機械本身的大慣量,電機正反轉結合轉盤自由下滑的速度同時驅動轉盤短時間加速下滑使它達到新的高點來做往復運動來使它達到高點,通常整個體驗需要三分鐘。

(照片拍攝于2020年,地點天津某景點)
二、系統要求
①、變頻器與PLC通訊;
②、慣量大,啟動快;
③、短時間啟動電流沖擊大,啟動電流為額定電機電流的2倍多;
④、頻繁正、反轉啟動;
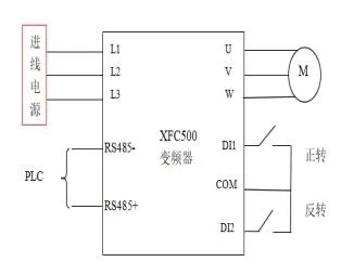
三、應用接線圖


四、方案特點及優勢
①、變頻控制系統在SVC矢量模式下變頻器在低頻狀態下可輸出大轉矩拖動大慣量負載(0.3Hz/150%);
②、動態性能穩定,響應速度快,適宜于頻繁正反轉啟動場合;
③、擁有高性能電流矢量算法可使得電機在0.5秒達到較佳轉速,把輸出電流控制在額定電流的2倍范圍內,相比工頻啟動6倍電流顯得更加平滑,而且工作電流大幅下降節能效果明顯;
④、擁有完整的過流、過壓、過載保護設備可靠運行;
⑤、體積緊湊、安裝便利、操作簡單。

Copyright ? 2019 西安西馳電氣股份有限公司 保留所有版權 陜ICP備09009982號-1
陜公安備 61019002000087